设为首页 | 收藏本站 | 联系我们
公司首页 | 公司简介 | 自动化改造 | 代理品牌 | 成功案例 | 技术文章 | 业务流程
 伺服驱动器维修 | 变频器维修 | 软启动器维修 | 直流调速器维修 | 工业触摸屏维修 | PLC维修 | UPS电源维修
 注塑机电路板维修 | 印刷机电路板维修 | 叉车电路板维修 | 数控电路板维修 | 比例阀维修 | 医疗设备维修 | 伺服电机维修
    技术文章
   从“两会”看“变频器
   三菱A540系列与升
   三菱A540系列与升
   UPS电源维修技巧(
   UPS电源维修技巧(
   变频器维修参考资料—
   日立变频器维修—常见
   变频器维修参考资料—
    联系我们


 地址:上海市松江区新南路1259弄119号
 电话:021-67684390

 联系人:王小姐
 手机:13917756409

 
点击这里给我发消息

 联系人:刘先生
 手机:18930489720

 
点击这里给我发消息

 邮箱:zuodukeji@163.com
 网址:www.zuodukeji.com

    合作伙伴


 上海佐度电子科技   变频器维修网
 佐度阿里巴巴   佐度一呼百应
 网址之家          ups维修

    技术文章                                                   您现在的位置:上海佐度电子科技有限公司 > 技术文章 
UPS电源维修技巧(一)
影响UPS电源运行的主要因素:
   UPS蓄电池
    据资料分析,在各类UPS不间断电源维修中,由于蓄电池故障而引起UPS不能正常工作的比例大约占30%。所以,我们要特别注意蓄电池是否出现故障。
    由于电池问题引起的故障现象大约有下面几种:
    1.UPS不能启动。
    我们以Smart-UPS维修为例,因为Smart-UPS是由直流启动的,所以当没有接电池、电池低电或电池有问题等情况下UPS就不能启动。下面还有几种类似的情况:
    第一种情况:新安装的UPS不能启动。
    如果UPS是SUA1000ICH这种机型,请检查UPS后面板的电池连接插头是否连接。如果是SU3000RMI3U这种机架式的UPS,请打开前面板检查电池是否连接。
    由于新的电池在存放的过程中会有自放电的现象,所以电池处在低电状态UPS不能启动。这时候需要将UPS与电池和市电连接好,按UPS前面板的Test按钮,虽然UPS面板显示灯不会亮,但这时UPS会给电池充电。充电一段时间后,再按Test键UPS就可以启动工作了。
    第二种情况:UPS逆变工作了一段时间后,UPS不能启动。
    同样是因为电池低电,需要给电池充电。
    第三种情况:电池用了2-3年左右,UPS不能启动。
    根据大多数客户的使用情况来讲,电池在使用了两年以后一般会出现或多过少的容量下降问题,如果电池不能起到延时的作用就需要更换新的电池。
    第四种情况:单节电池的电压都很正常,但UPS不能启动。
这时虽然单节电池电压正常,
1.很可能是由于电池与电池之间的连接或电池与UPS之间的连接出现问题,比如:连接点不牢固或者是连接点有氧化现象,这时侯就需要祛除氧化物后重新连接。
2.可能是UPS与电池连线的保险断了,如果是保险断了换一个保险即可。
3.UPS与电池之间的连线很长、很细或中间有连接点,因此产生了很大的压降,导致UPS不能起动。
    2.市电断电后UPS不能转到逆变状态下工作。
    让UPS在市电状态下工作,将万用表设在电压档,表笔接在UPS背面安德森插头的里面,直接测量到达UPS的直流电压。此时,一个人观察万用表显示,另一个人拔掉UPS的输入线,观察断电瞬间万用表的显示,如果电压值瞬间下降很多,说明电池部分有问题,如果能够排除连接上的问题,而且电池也已经使用两年左右了,就需要考虑更换电池组。
    3.UPS逆变时间短,达不到客户要求
    第一,Smart-UPS长延时机型必须在安装之初就设置电池参数,如果没有设置电池参数就会出现逆变时间短这样的问题。
    第二,已经设置了电池参数,但UPS的逆变时间仍然很短。您可以在UPS低电报警的时候,测量电池电压,如果测量值显示电池的确处于低电状态,那就需要更换电池。如果测量值显示电池并不是处于低电状态,那就需要您作充放电校验。注意在充放电校验中,电池要保证充满,放电时需要带50%左右的负载。
    第三,安装了PowerChutePlus软件,因为软件的默认设置为:市电中断后5分种计算机关闭,所以需要您修改软件中的参数.
    市电环境
    1.电网干扰。
    如果电网内存在非常严重的干扰,比如电压下陷等电源干扰就有可能会造成UPS出现断电等故障现象。下面我们列举一些这样的市电干扰。您可以安装PowerChutePlus软件,通过软件的事件记录了解电网内是否存在电源干扰。如果在事件记录中看到很多的这样的记录,表明您的市电电网存在比较严重的干扰,这种干扰还会降低电池的使用寿命。如果条件允许,建议您更换一路市电输入或者改造电网。
 
    UPSonbattery:HighinputLinevoltage高输入电压
    UPSonbattery:Smallmomentaryspike轻度高电压脉冲
UPSonbattery:Smallmomentarysag轻度电压下陷 
PowerChutePlus事件记录可以记录的市电干扰:
    UPSonbattery:Deepmomentarysag深度电压下陷
    UPSonbattery:Largemomentaryspike深度高电压脉冲
    UPSonbattery:Brownout持续低电压
    2.UPS输入端安装了漏电保护器
    当UPS开机时会造成漏电保护器跳闸,如果您需要安装漏电保护器,那么就需要将漏电保护器接到UPS的输出线上。
    3.UPS输入端的空气开关跳闸。
    这种现象可能是因为UPS输入端的空气开关容量小造成的,因为UPS的启动电流比较大,所以要求其前端空气开关的容量要足够大。
    4.UPS逆变状态与在线状态频繁转换
    第一,有可能是市电波动造成的。第二,如果您使用了发电机,那么就会发生这种情况。
    操作方法:
    1.Smart-UPS不能冷启动,但可以正常逆变工作。
    这属于操作方法不对,正确的冷启动步骤为:按住Test键,大约4秒钟听到“嘀”声后立即松手,UPS即可冷启动。如果按的时间过长或过短,UPS都不能冷启动。建议您按照这个操作步骤多试几次。
    2.UPS与计算机通讯不正常
    如果您没有使用APC原装的通讯线,就会发生这种问题。
    4.SU5000UXI,SU5000INETSU5000RMINET输入线的连接方法。
    这三种机型在出厂时不带输入线缆,但有专用的输入线缆接线端子。输入线缆连接步骤:找出UPS输入线缆的接线端子(对于SU5000INET其输入线缆接线端子在UPS背部的右上角,对于SU5000RMINET在UPS背部的左上角),它隐藏于盖板内,盖板由一螺丝固定,需要用改锥松动此螺丝并取下盖板连接输入线。
    5.Smart-UPS在线工作时风扇频繁启动。
    这种情况是由于UPS机内温度比较高造成的,您可以安装PowerChutePlus观察UPS内部温度,一般是机内达到40摄氏度的时候风扇启动。这样的设计是为提高UPS的使用寿命和运行可靠性。
    其它因素:
    1.Smart-UPS时常有过载报警。
    请检查是否有打印机连接到UPS上,不建议您将打印机接在UPS后面,因为打印机在作打印的时候工作电流会突然增大许多,可能会造成UPS过载而断电。同样不建议在UPS后面接电源插座,因为可能会发生由于电源插座瞬间短路而造成UPS过载。
    2.Matrix5000,Matrix3000的液晶显示板显示:NoBatteryCommunications
这是因为没有配置SmartCell或SmartCellXR原装电池包的缘故。这条信息只是显示“没有电池通讯”,不会影响UPS的正常工作。
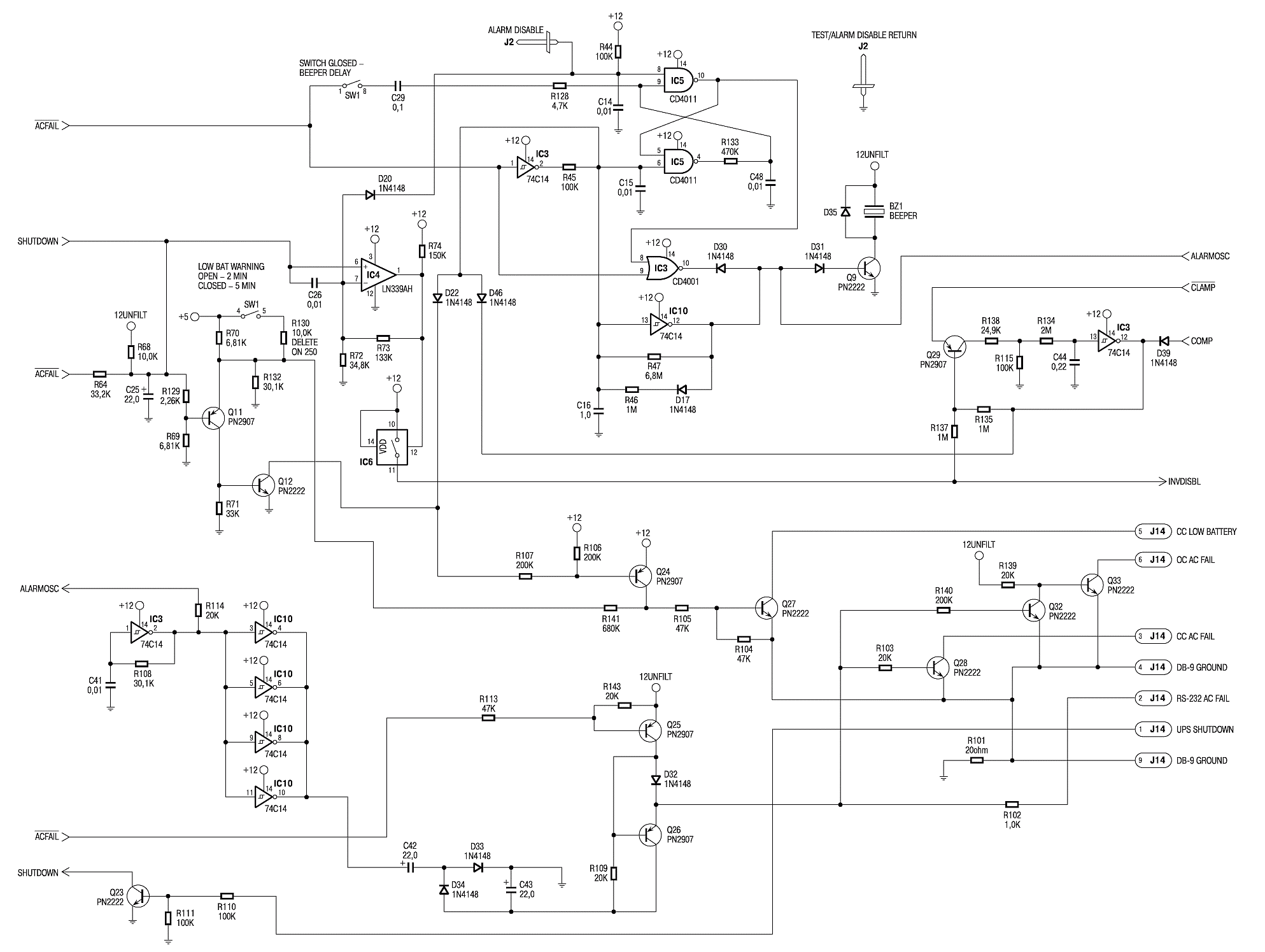
附件:SUA1000ICH 电路图(右键保存后查看)
 
 
SUA1000ICH电路图|UPS维修
《变频器维修参考资料—东芝VFS11变频器参数检索及历史记录 》上一篇<< <> >>下一篇 《UPS电源维修技巧(二)》
更多资讯请继续关注 http://www.zuodukeji.com
                                                             公司地址: 上海市松江区新南路1259弄119号
                                  版权所有:上海佐度电子科技有限公司 Copyright©2006-2012 未经许可不得复制或转载 
   深圳网站建设开心网络